Terminal Block(接线端子)::::::Tianli Electrical Machinery(Ningbo) Co.,Ltd(天立电机(宁波)有限公司)

位置: 首页 > 产品中心



产品说明

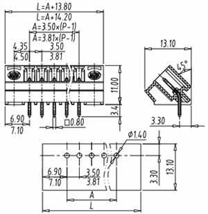
TLP系列插拔式接线端子-插座

TLPHW-004

Pitch(间距) 3.50mm
Approval(认证)
Rated voltage(电压) 300V
rated current(电流) 10A
wire range(线径)
PCB hole Dia(PCB直径) Φ1.4mm
Screw (螺丝)

Housing Material(本质材料)

Poles(级数) Model(型号)
02 TLPHW-004-02P
.. ..
24 TLPHW-004-24P

 PS:仅供参考,以公司规定的具体数据为准