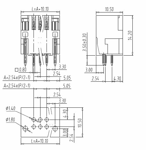
| 間隔(Pitch) | 2.54mm | ||
| 認証(Approval) | ![]() |
![]() |
|
| 電圧(Rated voltage) | 150V | 320V | |
| 電流(rated current) | 5A | 6A | |
| ワイヤー(wire range) | |||
| PCB 直径(PCB hole Dia) | |||
| スクリュー (Screw) | |||
材料の性質(Housing Material) |
|||
| シリーズ(Poles) | モデル(Model) |
| 04 | TLPHDW-020V-04P |
| .. | .. |
| 48 | TLPHDW-020V-48P |
PS: For reference only,Prevail Specific data by Specification company provided